Un nuevo algoritmo estima el punto de máxima potencia global en sistemas fotovoltaicos parcialmente sombreados
Fuente: https://www.pv-magazine.com
Desarrollada por científicos de la India, la técnica del punto de máxima potencia global (GMPP) se basa en el voltaje y la corriente de cadenas en un conjunto fotovoltaico. El grupo de investigación lo probó en simulación por computadora, así como mediante una configuración experimental.

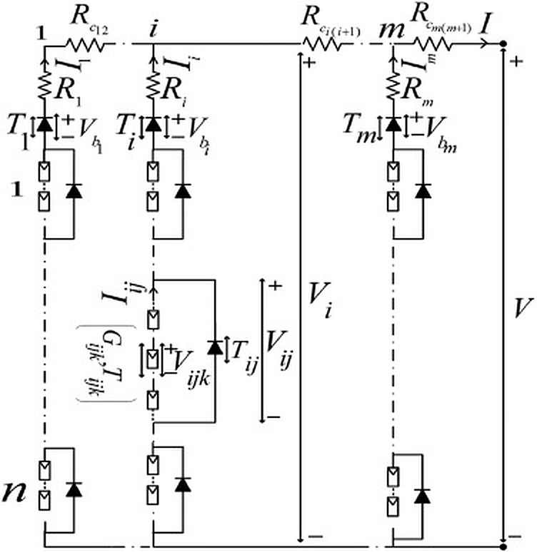
El modelo generalizado propuesto de un conjunto fotovoltaico en serie-paralelo en condiciones de sombra parcial.
Imagen: Instituto Indio de Tecnología Guwahati, Solar Compass, Licencia Creative Commons CC BY 4.0
Científicos del Instituto Indio de Tecnología de Guwahati y de la Universidad Shiv Nadar de la India han desarrollado un nuevo algoritmo para calcular el punto de máxima potencia global (GMPP) de un sistema fotovoltaico parcialmente sombreado.
«Este algoritmo está diseñado para ser adaptable a cualquier escenario derivado del establecimiento de ciertos parámetros en el modelo generalizado de matriz fotovoltaica en serie-paralelo», dijo a pv magazine el autor correspondiente de la investigación, Shashank Kumar . « Es importante tener en cuenta, sin embargo, que es posible que no sea directamente aplicable a configuraciones que no se pueden convertir en este modelo generalizado».
El GMPP define la capacidad de un inversor para barrer la curva IV de un sistema fotovoltaico e identificar el voltaje del conjunto en el que se produce el punto de máxima potencia global. Cuando un sistema fotovoltaico se encuentra en condiciones de sombra parcial, su curva característica de potencia-tensión de salida genera múltiples picos locales. En estas condiciones, los métodos MPPT convencionales podrían no lograr maximizar la potencia de salida, ya que rastrean el punto de máxima potencia (MPP) local en lugar del MPP global (GMPP).
En el estudio » Una nueva técnica de estimación de GMPP para sistemas fotovoltaicos parcialmente sombreados conectados en serie en paralelo «, publicado en Solar Compass, los investigadores explicaron que una estimación precisa del GMPP de un generador de energía solar en condiciones de sombra parcial es más difícil de lograr que en condiciones de sombra parcial. Condiciones de irradiancia uniformes, debido a la presencia de múltiples picos o puntos de máxima potencia locales (LMPP) en la curva potencia-tensión.
El método propuesto utiliza parámetros del módulo fotovoltaico, como cables de conexión y diodos, así como irradiancia y temperatura como datos de entrada.
También utiliza una serie de ecuaciones para encontrar y ordenar todos los puntos cero relevantes del conjunto fotovoltaico. “Se podría decir que los puntos cero se aproximan a los puntos donde la curva 𝑃 − 𝑉 o 𝐼 − 𝑉 de la matriz cambia de forma debido a la condición de sombreado parcial”, explicaron los académicos.
El nuevo enfoque también ofrece una expresión matemática para el voltaje de iteración basada en una propiedad generalmente observada de los LMPP.
Para probar la nueva técnica, los investigadores ejecutaron 2.000 casos parcialmente sombreados generados aleatoriamente sobre su modelo generalizado. La mitad de los casos se refería a un conjunto fotovoltaico de 3 x 2 con módulos de 252 W, y la otra mitad se refería a un conjunto fotovoltaico de 4 x 2 con los mismos módulos.
“En un conjunto fotovoltaico de 3×2, las irradiancias de los 6 módulos se generan aleatoriamente en el rango de 100 a 1100 𝑊 ∕ 𝑚 2 por cada caso de 1000 casos. Todos los diodos y módulos del conjunto fotovoltaico de 3 × 2 están a una temperatura de 25 C”, agregaron los científicos. «Todos los parámetros de los diodos y las temperaturas del conjunto fotovoltaico 4×2 son diferentes; sin embargo, las irradiancias de 8 módulos se generan aleatoriamente en el rango de 100-1100 𝑊 ∕ 𝑚 2 por cada caso de 1000 casos».
La configuración experimental
Imagen: Instituto Indio de Tecnología Guwahati, Solar Compass, Licencia Creative Commons CC BY 4.0
Los investigadores encontraron que, en los 2.000 casos simulados, los errores máximos y los errores cuadráticos medios (RMS) fueron inferiores al 1%. Para el sistema fotovoltaico 3 × 2, el tiempo de cálculo promedio para cada caso fue de 0,3398 segundos. Para los arreglos de 4 × 2, ese tiempo fue de 1,23 segundos.
Para validar sus resultados, los científicos también construyeron una configuración experimental y compararon sus observaciones con el algoritmo alimentado con los mismos datos. “Se ve que el error en la potencia GMPP obtenida mediante el método propuesto es del 2,5706% con respecto a la GMPP obtenida experimentalmente, lo cual está muy dentro del límite”, concluyeron.
“Se están preparando futuras mejoras para el método de estimación GMPP. Mi objetivo es desarrollar una fórmula más compacta para GMPP diseñada específicamente para este modelo generalizado”, afirmó Kumar.
Los comentarios están cerrados.